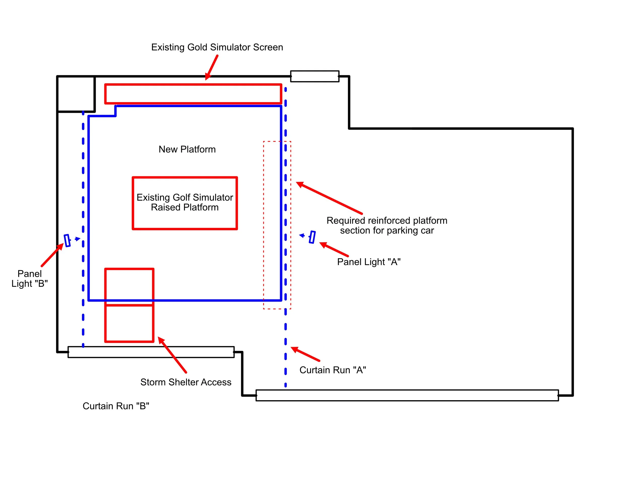
Golf simulator environment design & build for online instruction Slide 1 Slide 1 (current slide) Slide 2 Slide 2 (current slide) Slide 3 Slide 3 (current slide) Slide 4 Slide 4 (current slide) Slide 5 Slide 5 (current slide) Slide 6 Slide 6 (current slide)